PEM.DISC.REC.03HP.M1
Description:
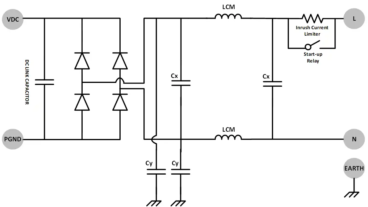
PEModule PLUGY Discovery High-performance cost effective 3 HP 2.2Kw Single Phase Rectifier including DC Link capacitor, EMI Filters, and protections.
Main Features:
- Compact size.
- Overload fuse protection.
- Over voltage varistor protection.
- Including thermal management (no need for external heat sink).
- Inrush Current protection
Follow us
Rectifier Module Specifications
Rectifier Module Specifications
| Parameter | Symbol | Value | Unit |
|---|---|---|---|
| Reverse voltage | VRRM | 600 | V |
| Forward Current | IF | 20 | A |
| Diode forward voltage | VF | 1.1 | V |
| Thermal resistance diode junction to case | RthDJA | 0.8 | C/W |
| Power Losses Dissipation(Natural Air Convection Model) | PLosses | 35 | W |
| Heatsink thermal resistance | R thHS | 2.17 | C/W |
Follow us!
Follow us!



